Csak rendelésre

A.C8.1, Elővez. útv.főtolattyú, 25.E.XbYb.

Tovább a részletekre

Cikkszám

ADH.8.C.01.I.00.1

Gyártó

Dana-Brevini

Készlet információ

Nincs raktáron

Nettó ár

402 636,00 Ft / db

Bruttó ár

511 347,72 Ft / db

A termék csak előrendelésre vásárolható!
Rendelni kívánt mennyiség

Termék részletek

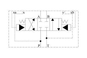
Cetop8-01 (NA25-E) elővezérelt útváltó, (NA6) elővezérlő szelep nélkül,
belső-XY, a vezérlő útváltótól függően használható 4/3, vagy 4/2 üzemre,
a vezérlő (x) és résolaj (Y) kívánságra belső - külsőkre átalakítható,
P,A,B=320 bar, maximális vezérlőnyomás: 210 bar, megengedett össz. térfogatáram: 500 l/min